ingersoll rand manual
Ingersoll Rand 2475 Air Compressor Parts List. 11 Pictures about Ingersoll Rand 2475 Air Compressor Parts List : INGERSOLL-RAND VHP825WCU OPERATING, MAINTENANCE AND PARTS MANUAL Pdf, New Ingersoll-Rand 231B-A626 Repair Tool | eBay and also Perkins 4006 4008 Series In-Line Diesel Engines PDF Manual.
Ingersoll Rand 2475 Air Compressor Parts List

air ingersoll rand compressor parts 2475 list manual tool p185 power needmanual
Thermoking Tripac Ingersoll Rand TK270M Engine Running - YouTube

tripac apu engine manual thermoking ingersoll rand sponsored links
New Ingersoll-Rand 231B-A626 Repair Tool | EBay

a626 ingersoll rand 231b repair tool
Ingersoll Rand Manuals | EBay
ingersoll rand manuals
Ingersoll Rand Gasoline Powered Tow Behind Compressor W/o Diesel INV

behind compressor ingersoll rand tow gasoline diesel powered inv
TTG | Case Garden Tractor Fever | Case Colt Ingersoll Tractor Time Line

ingersoll 4020 tractor lawn loader case garden tractors gts today
Ingersoll Rand 2475 Air Compressor Parts List

ingersoll rand compressor parts air 2475 list manual needmanual
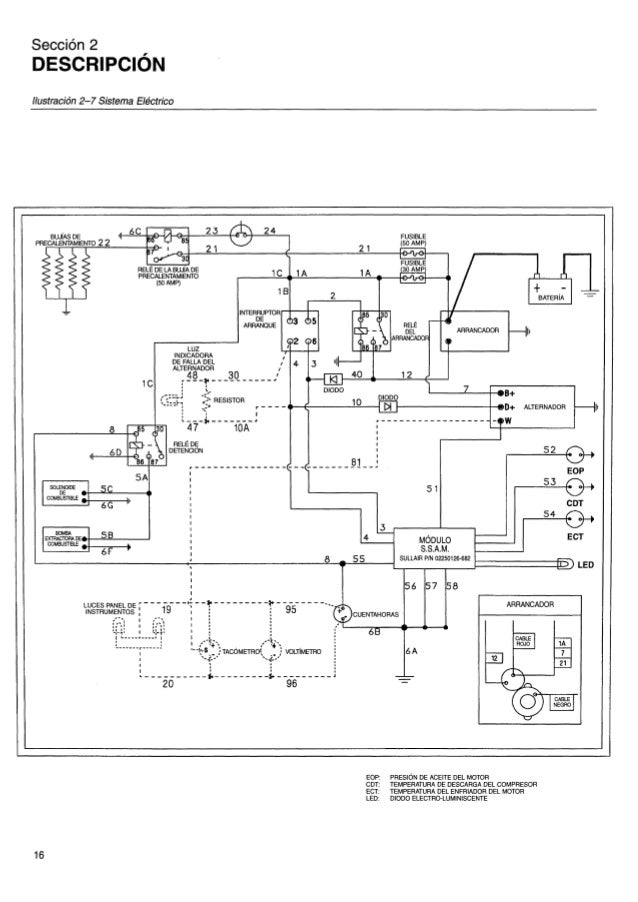
Manual-espanol-compresor-sullair-375 H

compresor sullair
Ingersoll-Rand 114G User Manual | 2 Pages

rand ingersoll parts air manual tool 114g diagrams user diagram regarding
INGERSOLL-RAND VHP825WCU OPERATING, MAINTENANCE AND PARTS MANUAL Pdf

rand ingersoll manual manualslib maintenance parts
Perkins 4006 4008 Series In-Line Diesel Engines PDF Manual

perkins diesel manual engines pdf line series workshop
Manual-espanol-compresor-sullair-375 h. Ingersoll rand manuals. Rand ingersoll manual manualslib maintenance parts