ingersoll rand intellisys manual
Air Compressor – Ingersoll-Rand – Sierra H60A- (Portland, OR) SOLD 2018. 10 Images about Air Compressor – Ingersoll-Rand – Sierra H60A- (Portland, OR) SOLD 2018 : Ingersoll-rand SSR UP6 50PE Manuals, INGERSOLL-RAND XE-50 MANUAL Pdf Download | ManualsLib and also Ce459541 88df-491f-bf03-f699d7296d8d.
Air Compressor – Ingersoll-Rand – Sierra H60A- (Portland, OR) SOLD 2018

rand compressor ingersoll sierra portland air sold
22128763 Intellisys Controller, Ingersoll Rand | Ingersoll Rand

ingersoll intellisys industrialspareparts
Screw Compressor Ingersoll Rand Intellisys Controller, Rs 50000 /number

intellisys ingersoll controller compressor
INGERSOLL-RAND XE-50 MANUAL Pdf Download | ManualsLib

ingersoll manualslib xe
Ingersoll Rand Intellisys 39875158

ingersoll intellisys kiếm tìm
Ingersoll Rand 125 CFM 30 HP 460 Volt SSR-EP30U | Joseph Fazzio

rand ingersoll ssr volt cfm hp
Compressor Controller - Xe-50M Series - INGERSOLL RAND

ingersoll rand xe controller 50m series
Download Ingersoll-Rand Air Compressor HP50-PE Manual And User Guides

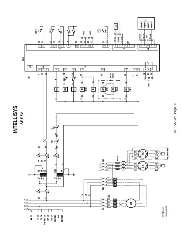
ingersoll hp50 wiring intellisys ting opera
Ingersoll-rand SSR UP6 50PE Manuals

ssr rand ingersoll up6 manual operation maintenance compressor air manuals
Ce459541 88df-491f-bf03-f699d7296d8d

Ingersoll rand 125 cfm 30 hp 460 volt ssr-ep30u. 22128763 intellisys controller, ingersoll rand. Download ingersoll-rand air compressor hp50-pe manual and user guides