in series wiring
How many ohms? - ecoustics.com. 11 Pics about How many ohms? - ecoustics.com : How many ohms? - ecoustics.com, BMW 1-series (E81/E82/E87/E88; 2004–2013) and also HCT-IT-0525I Crimping Pliers For Insulated Terminals 0.5-2.5mm2.
How Many Ohms? - Ecoustics.com

series wiring amplifier audio ohms speakers ohm law amps speaker diagram stereo amplifiers subwoofer power output connected subwoofers load watts
Boat Wiring, Part 4 - Making Good Connections | By Off Center Harbor

T140 Headlight Wiring - Page 2 - Triumph Forum: Triumph Rat Motorcycle

wiring headlight t140 triumph motorcycle switch
Chevy Malibu Ignition Switch

Cummins N14 Celect Plus Wiring Diagram To With And | Diagrama De

BMW 1-series (E81/E82/E87/E88; 2004–2013)

bmw fuse box series e87 e82 diagram fuses 2004 e81 e88 relays location info window electrical compartment wiring glove replacing
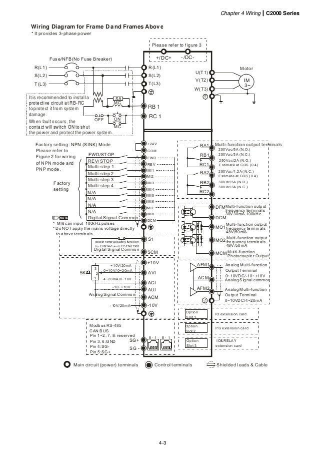
C2000 M En_20120201

c2000
HCT-IT-0525I Crimping Pliers For Insulated Terminals 0.5-2.5mm2

crimping pliers 5mm2 hct
ARB Outback Rear Drawer System – Duggy's Garage

drawer series 80 arb system outback landcruiser rear storage build drawers custom adventure sleeping platform extension photographer ready
Electricians Guide Book - 2nd Edition
guide edition 2nd electricians loading tlc direct
Vw Voltage Regulator Wiring Diagram

vw regulator diagram wiring voltage alternator beetle 1974 external ford cargurus helpful
Vw regulator diagram wiring voltage alternator beetle 1974 external ford cargurus helpful. Boat wiring, part 4. Chevy malibu ignition switch